February 21, 2026
Text Size: T T T
Color Scheme:                         
Language: English | 中文 | All
View All : Main > Courses > Rose-Hulman Institute of Technology > ES203 - Electrical Systems > Week 9
diagram_thumbnail Problem 1

Find the apparent power absorbed by the load in the circuit if v = 4 cos

(3000t+30°) V.

AC Circuits > Power > Apparent Power
Keywords:
Length: 6:54    Date Added: 2007-07-26 13:14:53    Filename: ac_power_app_ex1_eng    ID: 346
diagram_thumbnail Problem 1

The load in the circuit absorbs an average power of 80 W and a reactive power of 60 VAR. What is the power factor of the load? What are the values of the resistor and the inductor if v = 110 cos (2π60t) V?

AC Circuits > Power > Power Factor
Keywords:
Length: 5:15    Date Added: 2007-07-26 13:18:13    Filename: ac_power_pf_ex1_eng    ID: 347
diagram_thumbnail Problem 2

Three 220 Vrms loads are connected in parallel. Load 1 absorbs an average power of 800 W and a reactive power of 200 VAR. Load 2 absorbs an average power of 600 W at 0.6 lagging power factor. Load 3 is a 80 Ω resistor in series with a capacitive reactance of 60  Ω. What is the pf of the equivalent load as seen by the voltage source?

AC Circuits > Power > Power Factor
Keywords:
Length: 6:48    Date Added: 2007-07-26 13:20:54    Filename: ac_power_pf_ex2_eng    ID: 348
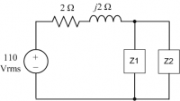
diagram_thumbnail Problem 3

In the circuit, Z1=100+j60 Ω and Z2=10-j20 Ω. Calculate the pf of the equivalent

load as seen by the voltage source and the total complex power delivered by the voltage source.

AC Circuits > Power > Power Factor
Keywords:
Length: 4:27    Date Added: 2007-07-26 13:23:55    Filename: ac_power_pf_ex3_eng    ID: 349
diagram_thumbnail Problem 1

The periodic current is applied to a 10 kΩ resistor. Find the average power consumed by the resistor.

AC Circuits > Power > RMS Value
Keywords:
Length: 5:51    Date Added: 2007-07-26 13:29:46    Filename: ac_power_rms_ex1_eng    ID: 350
diagram_thumbnail Problem 1

Find the average power, the reactive power and the complex power delivered by the voltage source if v = 6 cos (1000t) V.

AC Circuits > Power > Complex Power
Keywords:
Length: 5:24    Date Added: 2007-07-26 13:32:13    Filename: ac_power_s_ex1_eng    ID: 351
diagram_thumbnail Problem 1

In the circuit, a 110 Vrms load is fed from a transmission line having a impedance of 4 + j1 Ω. The load absorbs an average power of 8 kW at a lagging pf of 0.8.

a) Determine the apparent power required to supply the load and the average power lost in the transmission line.

b) Compute the value of a capacitor that would correct the power factor to 1 if placed in parallel with the load. Recompute the values in (a) for the load with the corrected power factor.

AC Circuits > Power > Power Factor Correction
Keywords:
Length: 7:12    Date Added: 2007-07-27 14:04:30    Filename: ac_power_pfcorr_ex1_eng    ID: 402
diagram_thumbnail Problem 2

Three 100 Vrms loads are connected in parallel. Load 1 is a 50 Ω resistor in series with an inductive reactance of 40 Ω. Load 2 absorbs an average power of 500 W at 0.75 lagging power factor. Load 3 absorbs an apparent power of 600 VA at 0.9 lagging power factor. Assume the circuit is operating at 60 Hz. Compute the value of a capacitor that would correct the power factor to 1 if placed in parallel with the loads.

AC Circuits > Power > Power Factor Correction
Keywords:
Length: 7:50    Date Added: 2007-07-27 14:06:48    Filename: ac_power_pfcorr_ex2_eng    ID: 403