Milestone 3

Files
design journal m3
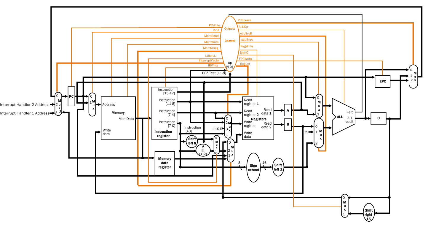
datapath
English Description of Ctrl Outputs
state diagram
ctrl output states