February 21, 2026
Text Size: T T T
Color Scheme:                         
Language: English | 中文 | All
View All : Main > Courses > Rose-Hulman Institute of Technology > ES203 - Electrical Systems > Week 10 > Problem #4
Keywords:

Phasors

Operational Amplifiers

Problem #4

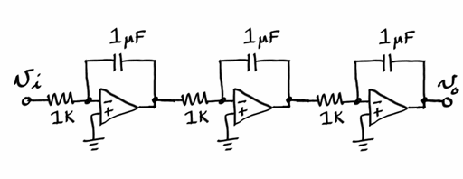
Suppose this circuit is driven by a sinusoidal voltage source operating at 200 Hz. Determine the gain and phase shift of the circuit.

diagram
Need a hint?

solution

Check your result

Additional files available

Video Transcript