February 21, 2026
Text Size: T T T
Color Scheme:                         
Language: English | 中文 | All
View All : Main > Courses > Rose-Hulman Institute of Technology > ES203 - Electrical Systems > Week 7 > Problem #2
Keywords:

Power

Maximum Power Tranfer

Problem #2

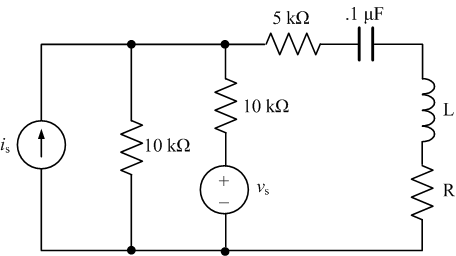
Determine settings of R and L that will result in the maximum average power transferred to R if is = 1 cos(1000t) mA and vs = 30 cos(1000t+30°) V. What is the maximum average power transferred to R?

diagram
Need a hint?

solution

Check your result

Additional files available

Video Transcript