February 21, 2026
Text Size: T T T
Color Scheme:                         
Language: English | 中文 | All
View All : Main > Courses > Rose-Hulman Institute of Technology > ES203 - Electrical Systems > Week 6 > Problem #6
Keywords:

Phasors

Nodal Analysis

Problem #6

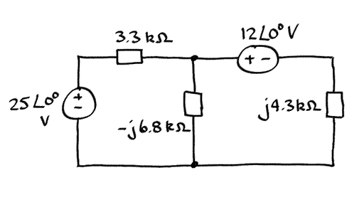
Use nodal analysis to determine which impedance element has the lowest voltage magnitude across its terminals.

diagram
Need a hint?

solution

Check your result

Additional files available

Video Transcript