Keywords:
Phasors
Mesh Analysis
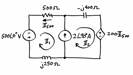
Problem #5
Find the indicated mesh currents.
Need a hint?
Write the mesh current equations in terms of I1 and I2, then write I500 in terms of the defined mesh currents.
|
February 21, 2026
|
Text Size: | ||||
| Color Scheme: | |||||
| Language: |
|
View All : Main >
Courses >
Rose-Hulman Institute of Technology >
ES203 - Electrical Systems >
Week 6 >
Problem #5
Keywords:
PhasorsMesh AnalysisProblem #5Find the indicated mesh currents.
Need a hint?
Write the mesh current equations in terms of I1 and I2, then write I500 in terms of the defined mesh currents. solutionAdditional files availableVideo Transcript |