February 21, 2026
Text Size: T T T
Color Scheme:                         
Language: English | 中文 | All
View All : Main > Courses > Rose-Hulman Institute of Technology > ES203 - Electrical Systems > Week 4 > Problem #3
Problem ID: 72
Problem Filename: resistive_equivResistance_ex3
Keywords:
Circut Description:
  • Resistor
  • Independent Voltage Source
Analysis Method:
  • Equivalent resistor formulas
  • Ohm's law
Math Method:
  • Algebra

Resistive Circuits

Equivalent Resistance

Problem #3

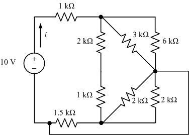
Find the current i in the circuit.

diagram
Need a hint?

solution

Check your result

Additional files available

Video Transcript Written