February 21, 2026
Text Size: T T T
Color Scheme:                         
Language: English | 中文 | All
View All : Main > Courses > Rose-Hulman Institute of Technology > ES203 - Electrical Systems > Week 3 > Problem #1
Problem ID: 178
Problem Filename: resistive_voltDivider_ex1
Keywords:
Circut Description:
  • Resistor
Analysis Method:
  • Voltage Divider Formulas
Math Method:
  • Algebra

Resistive Circuits

Voltage Divider

Problem #1

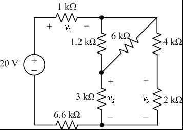
Use voltage division to find the current i through the 30 kΩ resistor and the voltage v across the 6 kΩ resistor.

diagram
Need a hint?

solution

Check your result

Additional files available

Video Transcript Written