February 20, 2026
Text Size: T T T
Color Scheme:                         
Language: English | 中文 | All
View All : Main > Topics > DC Circuits > Energy Storage Elements > Capacitors and Op Amps > Problem #1
Problem ID: 98
Problem Filename: energyStorage_capacOpAmp_ex1
Keywords:
Circut Description:
  • Independent Voltage Source
  • Resistor
  • Capacitor
  • Op Amp
  • Waveform
Analysis Method:
  • Ideal Op Amp Characteristics
  • V-I Capacitor Relationship
Math Method:
  • Calculus
  • Algebra
  • Graphing

Energy Storage Elements

Capacitors and Op Amps

Problem #1

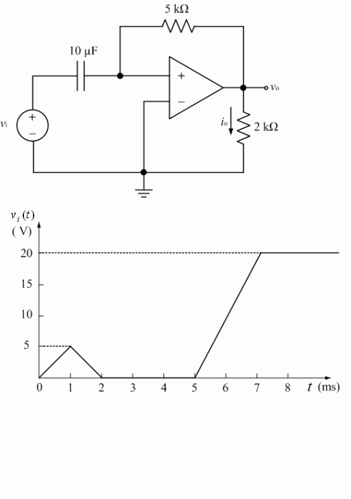
The input waveform vi(t) is applied to this circuit as shown. Find the output voltage vo(t) and the current io(t).

diagram
Need a hint?

solution

Check your result

Additional files available

Video Transcript