February 20, 2026
Text Size: T T T
Color Scheme:                         
Language: English | 中文 | All
View All : Main > Topics > DC Circuits > Thèvenin Equivalents > Independent Sources > Problem #1
Problem ID: 90
Problem Filename: thev_ind_ex1
Keywords:
Circut Description:
  • Independent Voltage Source
  • Resistor
Analysis Method:
  • Thèvenin Equivalents
  • Voltage Divider
  • Resistor Combination
  • Lookback Resistance
Math Method:
  • Algebra

Thèvenin Equivalents

Independent Sources

Problem #1

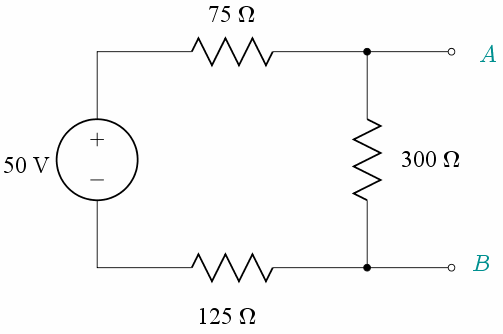
Find the Thèvenin equivalent at the terminals A-B. Use two different methods to find the Thèvenin resistance:

(a) As a ratio of short-circuit current and open-circuit voltage, and

(b) as the lookback resistance.

diagram
Need a hint?

solution

Check your result

Additional files available

Video Transcript