November 26, 2025
Text Size: T T T
Color Scheme:                         
Language: English | 中文 | All
View All : Main > Topics > DC Circuits > Operational Amplifiers > Combination > Problem #3
Problem ID: 140
Problem Filename: opAmp_combo_ex3
Keywords:
Circut Description:
  • single stage
  • operational amplifier
Analysis Method:
  • Ideal opamp model
Math Method:
  • algebra

Operational Amplifiers

Combination

Problem #3

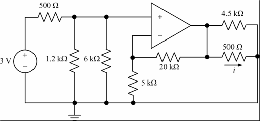
Determine the current i in the op amp circuit.

diagram
Need a hint?