November 26, 2025
Text Size: T T T
Color Scheme:                         
Language: English | 中文 | All
View All : Main > Topics > DC Circuits > Operational Amplifiers > Combination > Problem #2
Problem ID: 108
Problem Filename: opAmp_combo_ex2
Keywords:
Circut Description:
  • multiple stage
  • operational amplifier
Analysis Method:
  • Ideal opamp model
Math Method:
  • algebra

Operational Amplifiers

Combination

Problem #2

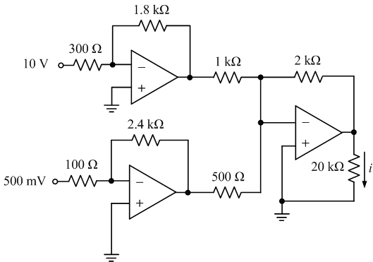
Calculate the current through the 20kΩ resistor.

diagram
Need a hint?