November 26, 2025
Text Size: T T T
Color Scheme:                         
Language: English | 中文 | All
View All : Main > Topics > DC Circuits > Nodal Analysis > Floating Voltage Sources (Supernodes)
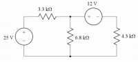
diagram_thumbnail Problem 1

(a) Does the circuit have a "floating voltage source" which would require the "supernode" technique for nodal analysis?

(b) Write the nodal equations for this circuit.

DC Circuits > Nodal Analysis > Floating Voltage Sources (Supernodes)
Keywords:
  • resistor,
  • independent voltage source
,
  • nodal analysis
,
  • algebra
Length: 3:04    Date Added: 2007-05-23 20:24:04    Filename: nodal_super_1    ID: 9
diagram_thumbnail Problem 2

Use nodal analysis to determine the resistors that absorb the most and least power.

DC Circuits > Nodal Analysis > Floating Voltage Sources (Supernodes)
Keywords:
  • Independent Voltage Source,
  • Resistor
,
  • Nodal Analysis,
  • Supernode Analysis,
  • Power Formulas
,
  • Algebra
Length: 7:13    Date Added: 2007-05-23 20:24:04    Filename: nodal_super_ex2    ID: 67
diagram_thumbnail Problem 3

Write the nodal equations for this circuit.

DC Circuits > Nodal Analysis > Floating Voltage Sources (Supernodes)
Keywords:
  • Independent Voltage Source,
  • Resistor,
  • Independent Current Source,
  • Battery
,
  • Nodal Analysis,
  • Supernode Analysis
Length: 3:09    Date Added: 2007-05-23 20:24:04    Filename: nodal_super_ex3    ID: 68