November 26, 2025
Text Size: T T T
Color Scheme:                         
Language: English | 中文 | All
View All : Main > Topics > AC Circuits > Frequency Response > Active Filter
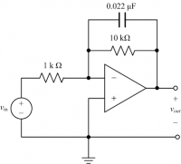
diagram_thumbnail Problem 5

Find the cutoff frequency of the filter. Use voltage divider to derive the transfer function. Obtain the output voltage in s.s.s when the input voltage is Vin=1cos(100t) V and Vin=1cos(10,000t+90°) V.

AC Circuits > Frequency Response > Active Filter
Keywords:
Length: 8:17    Date Added: 2007-07-26 09:51:52    Filename: ac_freq_activefilt_ex5_eng    ID: 318
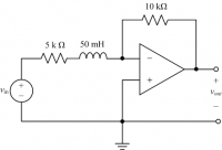
diagram_thumbnail Problem 1

a) Find the transfer function H(jω)=Vout/Vin

b) At what frequency will the magnitude of H(jω) be maximum and what is the maximum value of the magnitude of H(jω)?

c) At what frequency will the magnitude of H(jω) be minimum and what is the minimum value of the magnitude of H(jω)?

AC Circuits > Frequency Response > Active Filter
Keywords:
Length: 6:14    Date Added: 2007-07-27 11:26:16    Filename: ac_freq_activefilt_ex1_eng    ID: 378
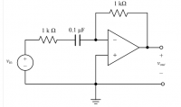
diagram_thumbnail Problem 2

Obtain the output voltage in s.s.s for the input voltage is Vin=1cos(100,000t+45°) V.

AC Circuits > Frequency Response > Active Filter
Keywords:
Length: 6:02    Date Added: 2007-07-27 11:30:14    Filename: ac_freq_activefilt_ex2_eng    ID: 379
diagram_thumbnail Problem 3

a) Obtain the transfer function H(jω) corresponding to the Bode magnitude diagram shown in Fig. 1.

b) What is the cutoff frequency of the filter?

c) Design the filter with the circuit give in Fig. 2. Find the values of C and Ri.

AC Circuits > Frequency Response > Active Filter
Keywords:
Length: 7:09    Date Added: 2007-07-27 12:50:39    Filename: ac_freq_activefilt_ex3_eng    ID: 381
diagram_thumbnail Problem 4

a) Obtain the transfer function H(jω) corresponding to the Bode magnitude diagram shown in Fig. 1.

b) What is the cutoff frequency of the filter?

c) Design the filter with the circuit give in Fig. 2. Find the values of Rf and Ri.

AC Circuits > Frequency Response > Active Filter
Keywords:
Length: 5:06    Date Added: 2007-07-27 12:54:05    Filename: ac_freq_activefilt_ex4_eng    ID: 382