October 25, 2025
Text Size: T T T
Color Scheme:                         
Language: English | 中文 | All
View All : Main > Courses > Rose-Hulman Institute of Technology > ES203 - Electrical Systems > Week 10 > Problem #1
Problem ID: 213
Problem Filename: opAmp_nonInv_ex1
Keywords:
Circut Description:
  • noninverting
  • operational amplifier
Analysis Method:
  • Ideal opamp model
Math Method:
  • algebra

Operational Amplifiers

Noninverting

Problem #1

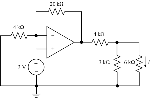
Find the current through the 6kΩ resistor.

diagram
Need a hint?