Keywords:
Power
Power Factor
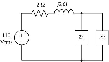
Problem #3
In the circuit, Z1=100+j60 Ω and Z2=10-j20 Ω. Calculate the pf of the equivalent
load as seen by the voltage source and the total complex power delivered by the voltage source.
Need a hint?
Find the equivalent impedance as seen by the voltage source. The power factor angle is the phase angle of the equivalent impedance. The complex power magnitude is the square of the voltage RMS value divided by the magnitude of the equivalent impedance. The phase angle the complex power equals to that the equivalent impedance.