October 25, 2025
Text Size: T T T
Color Scheme:                         
Language: English | 中文 | All
View All : Main > Courses > Rose-Hulman Institute of Technology > ES203 - Electrical Systems > Week 7 > Problem #1
Keywords:

Phasors

Norton Equivalents

Problem #1

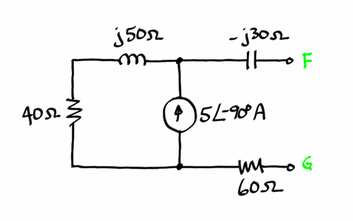
Find the Norton equivalent circuit at the terminals F-G. Express all complex values in your solution in both rectangular and polar form.

diagram
Need a hint?

solution

Check your result

Additional files available

Video Transcript