October 25, 2025
Text Size: T T T
Color Scheme:                         
Language: English | 中文 | All
View All : Main > Courses > Rose-Hulman Institute of Technology > ES203 - Electrical Systems > Week 6 > Problem #3
Problem ID: 61
Problem Filename: mesh_indvs_ex3
Keywords:
Circut Description:
  • Independent Voltage Source
  • Resistor
Analysis Method:
  • Mesh Current Analysis
  • Ohm's Law
Math Method:
  • Algebra
  • Matrix Algebra

Mesh Analysis

Independent Voltage Sources

Problem #3

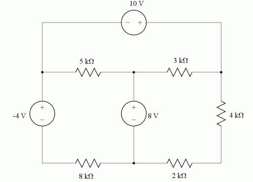
Determine all of the mesh currents in the circuit.

diagram
Need a hint?

solution

Check your result

Additional files available

Video Transcript Written