December 13, 2025
Text Size: T T T
Color Scheme:                         
Language: English | 中文 | All
View All : Main > Courses > Rose-Hulman Institute of Technology > ES203 - Electrical Systems > Week 3 > Problem #1
Problem ID: 23
Problem Filename: resistive_kcl_ex1
Keywords:
Circut Description:
  • Resistor
  • Independent Current Source
  • Dependent Current Source
Analysis Method:
  • Kirchhoff's current law
  • Ohm's law
Math Method:
  • Algebra

Resistive Circuits

Kirchhoff's Current Law

Problem #1

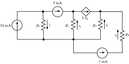
Determine the current through each of the resistors in this circuit.

diagram
Need a hint?

solution

Check your result

Additional files available

Video Transcript