October 25, 2025
Text Size: T T T
Color Scheme:                         
Language: English | 中文 | All
View All : Main > Courses > Rose-Hulman Institute of Technology > ES203 - Electrical Systems > Week 3 > Problem #3
Problem ID: 22
Problem Filename: resistive_kclKvl_ex3
Keywords:
Circut Description:
  • Independent Current Source
  • Resistor
  • Dependent Voltage Source
Analysis Method:
  • Kirchhoff's Current Law
  • Kirchhoff's Voltage Law
  • Ohm's Law
Math Method:
  • Algebra

Resistive Circuits

Kirchhoff's Current and Voltage Laws

Problem #3

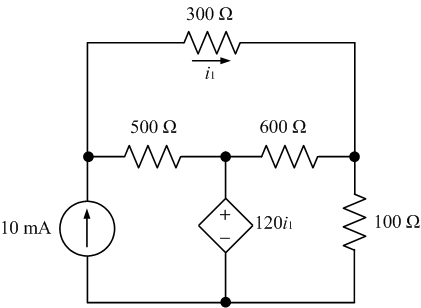
Find the current through the 300 Ω resistor.

diagram
Need a hint?

solution

Check your result

Additional files available

Video Transcript